Waterstops are used to avoid the movement of the water through the construction joints and movement joints. Construction joints of the liquid retaining structures need to be provided with a water bar.
The selection of the water bars shall be made based on the nature of the construction and its applicability. All the types waterstops cannot be used in every concrete structure.
The water stop is not used along within structures. They need to be connected with the other waterproofing systems. The following occasions can be identified as locations where we use waterstop.
In addition, different types of waterstops are not used in the same structure due to their compatibility. For example, it is very difficult to lay the steel water bare with PVC water bars.
Mostly in the following structures water stops are used.
- Basement walls
- Basement slabs, raft foundation when used as the basement floor.
- Subway and Tunnels
- Canals
- Spillway walls and ogee
- Other liquid retaining structures
Commonly, the water stop is placed at the construction joints, contraction joints, movement joints, and expansion joints. If there are water tightness requirements, the only option to avoid it is the water stop.
Let’s discuss different types of water stops.
- PVC waterstops
- Rubber waterstops
- Metalic waterstops
- Bentonite waterstops
- Hydrophilic waterstops
PVC Waterstops
PVC waterstops are widely used construction. They are very easy to use and handle at the site and also the cost also comparatively reasonable.
PVC waterstop is used for the movement joints and expansion joints due to its ability to bear the movement of the structures.
Due to the following advantages, PVC waterstops are more popular.
- High flexibility.
- High elasticity and tensile strength.
- Low water absorption.
- Resistant to corrosion.
- Unaffected by low temperature and water immersion.
- Bearing high hydrostatic pressure and shocks.
- Resistant to weather and excellent durability.
There are checks to be done to make sure the behavior of the water stop is acceptable for the construction. In general following, the test could be carried out when the supplier is selected. The testing standards could be the very country to country.
| Physical properties | Test methods |
| Water absorption | ASTM D-570 |
| Tear resistance | ASTM D-624 |
| Specific gravity | ASTM D-792 |
| Hardness shore A15 | ASTM D-2240 |
| Tensile strength | ASTM D-638 Type IV |
| Ultimate elongation | ASTM D-638 Type IV |
| 100% modulus | ASTM D-638 Type IV |
| Low temperature brittleness (Tb) °F (°C) | ASTM D-746 |
| Stiffness in Flexure | ASTM D-747 |
| Ozone Resistance | ASTM D-1149 |
| Change in Hardness Shore A | ASTM D-2240 |
Let’s discuss the arrangement of the water stops at each location.
Surface Waterstops at Face
Surface water bars are used to avoid the movement of the water through the construction joints, contraction joints, movement joints, and expansion joints.
The type of water stops used for construction joints is not same as the types used for the expansion and movement joints. The following figure indicates the type of water stops used for contraction and construction joints.

The dimension of the water stop shall be selected based on the application and other technical properties.
When there are expansion or movement of the structures are required, it shall be allowed by the water bars. The segment in the middle of the water bars is modified to allow the movements.
The following figure indicates the typical type of water bar to be used in expansion and movement joints.

The dimensions indicated in the above figure could vary depending on the supplier and the as per the specification of the product. Further, dimension could be selected as per the technical requirements of the project.
Further, when there are external waterproofing under the foundation, it could be continued as usual and it shall not be discontinued at these water bars.
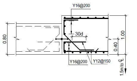
The following figure indicates the method of placing the water stops in the concrete.

Internal Waterstops
Waterstop is provided in the middle of the construction, contraction and movement joints. The center bulb water bars are provided for expansion and movement joints.
A normal water bar could be provided at the construction and contraction joints. The following figure indicates the typical type of water bar to be used in the middle.

The following figure indicates the types of water bars available in the market.

PVC Waterstop Welding
PVC water stops can be welded together when the length is not sufficient or when they need to provides in different directions.
Welding is done by heating the watertops together and holding tightly them together for some time until the connected.

As indicated in the above figure, water bars can be continued in any direction based on the requirement of the construction. When there are water tightness requirements and waterstops are provided, they shall be provided at all the construction joints.
Rubber Waterstops
Rubber waterstops are also available in similar types as the PVC waterstops. Rubber waterstops are made from the natural rubber or synthetic rubber.
Rubber waterstops are applied in the following areas of construction.
- Ideal for high movement joints.
- Water containments.
- Water excluding.
- Tunnels and civil engineering structures.
- Water and waste treatments.
- Dams, reservoirs, diversion tunnels, and spillway.
- Chemical areas.
- Irrigation canals, sea walls and culverts.
- Sewage treatment plant
- Swimming pools
- Reservoirs
- Water tank
- Basement areas
- Underground car park
- Retaining walls
- Suspended slabs
- Pits
- Roof slabs
The following feature and advantages can be observed in rubber water bars.
- Excellent elasticity and flexibility.
- High elongation.
- Excellent high movement accommodation.
- Capable to withstand high hydrostatic head.
- Adjust for subsidence and seismic movements.
- Resistant to abrasion and tearing.
- Resistant to corrosion and chemicals.
- Resistant to weather and aging.
- Excellent sealing effect.

A similar method of construction can use in to install the rubber waterstops as discussed in the PVC installation. Further, model intersections are also available for construction.


Metalic Waterstops
Mainly mild steel, galvanized steel, and copper are used as metal water stops. Copper waterstops are not widely used. However, they are used on special occasions such as hydraulis structures having very high heads and anticorrosive performance.
- Mild steel waterstop : These types of water stops are widely used in construction. The cost of the construction is also lesser when compared with other types. The main disadvantage of using mild steel is corrosion. Penetration of the water up to the water bar through the construction joint increases the corrosion of the water bar. Mid steel water bars cannot be used in expansion joints and construction joints due to the poor elongation properties of the steel. PVC and rubber water bars can bear the movement of the structures and withstand for very high elongation. In addition, the continuation of the water bare can be done with welding.

- Galvanized Steel Waterstop : Use of the galvanized steel for construction joint as water bars is a durable solution. Since mild steel could get corroded when exposed to the environment, galvanizing provides additional protection. Galvanized steel water bars cannot be used for expansion and movement joints.

- Stainless Steel Waterstop : stainless steel also can be used as a water stop. However, it could be used on special occasions due to the cost of the materials. Stainless waterstops are widely used in corrosive environments.

- Copper Waterstop : Copper water bars are not widely used in the construction. They are used in special structures such as dams, spillways, etc. due to the issues caused by corrosion. If we provide a steel water bar in these locations, it could corrode with the time. Further, these structures are built for more than 100 years and the water bar cannot be repaired if it damages due to any reason as we cannot empty the reservoirs. PVC waterstops and Copper waterstops can be seen widely in the hydraulic structures.
Bentonite Waterstop
Bentonite waterstops are bentonite-based hydrophilic type water stops. These water bars are placed as strips at the construction joints. These water bars cannot be placed in all types of joints. Especially, they cannot be used in expansion and movement joints.
Bentonite waterstops are mostly installed at the construction joints. They are placed at the grove created in the middle of the construction joint as indicated in the following figure.
Further, there are different type of waterstops that have different properties and that could be used in different locations.
Advantages and Special Features
- Activated with Moisture.
- Strong and durable comparatively
- cost-effectiveness.
- High water absorption with excellent compression seal.
- High expansion control ability for preserving its integrity.
- Controlled internal pressure in surrounding concrete to avoid spalling and cracks.
- Withstand high water pressure.
- Capable of self-healing.
- Easy to joining/lapping
- Non toxic

These types of waterstops are applicable to the following structures.
- Pipe penetrations in the concrete
- Joints where the movement is limited
- Construction joints
- Water containment and reservoirs
- Water and sewage treatment
- Manholes and elevator pits, manure pits
- Tunnels, culverts, dams, water tanks and canals
- Swimming pools
- Retaining walls
- Precast concrete structure
- Foundations and basements
- Slabs
Hydrophilic Waterstop
Hydrophilic waterstops are swelling type water bars (swellable waterstop) that react to the water. The material active when the moisture reaches it. It increases the volume with the contact of the water. However, the expansion does not harm the structure.
It ties the construction joints and avoids the movement of the water through the joint.
They are installed in joint where there are no relative movements. Expansion joints and movement joints are not watertight with these types of water bars.
Further, they are used to maintain the water-tightness when the pipes are embedded into the concrete walls. Waterstop is installing around the pipes.
The following figure indicate the arrangement of the waterstops and the location where it has to be installed.

Construction Details at Waterstops
The following construction details are used in the construction. These details are related to hydraulic structures.
Detail 01- Movement Joint

Detail 02 – Contraction Joint

Detail 03 – Contraction Joint

Detail 04 – Contraction Joint

Detail 05 – Movement Joint

Detail 6 – Construction Joint


